1、故障现象
运行不到两个月,叶轮叶片被汽蚀破坏
泵处于全开阀状态下运行
泵出口压力0.7-0.8kgf/cm2,指针频繁晃动,有明显爆破声
凝汽器进出循环冷却水的温差达25℃,正常温差应为8~11℃
2、泵铭牌参数
扬程 32 m
流量 3240 m3/h
汽蚀余量 7.4 m
转速 960 r/min
额定功率 380 kw
3、现象分析
循环冷却水温差达25℃,正常温差应为8~11℃,说明循环冷却水的流量不足
有明显爆破声,说明泵汽蚀现象严重
泵出口压力不到一公斤(1kg/cm2),而扬程是32米,显然是由于泵选型扬程过高,使泵偏于低扬程、大流量、汽蚀性能差的工况下运行,从而严重汽蚀导致叶片损坏。
4、现场试验
将阀门从全开状态逐步关小,毎隔15分钟关小一次,读一次数。
到第四次关小后,泵出口压力才升至1.85 kgf/cm2。
继续往下试,直至泵出口压力达到3.2 kgf/cm2以后,凝结器冷却水前后温差从25℃下降到11℃左右(见附表),这说明循环冷却水量增加了。同时泵的汽蚀响声也消失了,出口压力指针也稳定了。此时出口阀门开度大约只有10%左右,阀门有些振动。
5、改造方案
通过对现象的分析和现场试验,并深入调查了解所有资料,我们向用户的有关领导和技术人员提出分析意见,并提出了改造方案。
	
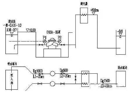
装置示意
凝汽量为110m3/h,要求循环水量为3850~6050m3/h,单泵流量为3025~3850m3/h。
泵进水管路管径为Dg1000,长度L2=25m,一个底阀,4个900弯头。
凝汽器内阻力降△H=5m,根据上述数据推算泵装置特性曲线方程为:
HZ=KQ2=6.67Q2Q:m3/s)
从装置示意图可知,泵进出水位差即几何扬程基本为零。
	
装置特性曲线
双泵运行时的A点工况为:
ΣQ=1.68m3/s=6050m3/h
Q=0.84m3/s=3025m3/h
H=18m
单泵运行时的A点工况为:
Q=1.07m3/s=3852m3/h
H=7.5m
由此可知,选用24SA-18型泵(Q=3240m3/h、H=32m)的扬程偏高太多。
由于现有泵的扬程偏高太多,难以通过切割叶轮达到要求,必须设计新的叶轮。同时由于扬程低,又要保持泵的流量,为了保证离心泵比转速的要求,又必须将转速由960r/min降至740r/min。
因此新叶轮参数定为:
Q:3240m3/h H:16m
n:740r/min ns:226
新叶轮的泵型号定为24SA—18D
6、改造方案及改造后运行工况分析
	
	新叶轮运行工况
单泵运行工况为C点:
Q:4104m3/h
HC:8.5m
η:60%(查泵性能曲线得)
冷却倍率m=4104/110=37倍,满足要求
双泵运行工况为D点:
ΣQ:6012m3/h
单泵Q:0.833m3/s
HD:18m
η:87%(查泵性能曲线得)
冷却倍率m=6012/110=55倍,满足要求。
7、改造效果
泵不再出现汽蚀现象,叶轮使用寿命达两年以上,大大降低检修工作量和维修费用;水量满足发电要示,凝结器真空度(700mmHg)和进出水温(△T=10℃左右),均达到标准值,提高了发电机组的出力; 粗略分析比较,一年节省的费用(包括电费和备件费)约10万元,其中节省的电费单价按每度厂用电0.065元计算。虽然节省的费用绝对数值并不太高,但是相对于一台24寸的泵而言,十万元已是相当可观了。
